Naslovna > T komad
T komad
Tehnicki podaci
FEROPLAST FK fazonski komadi su cevne komponente (fitinzi) raznih oblika i veličina koje se koriste u izgradnji cevovoda. Fazonski komadi FK su izrađeni u zavarenoj konstrukciji od nelegiranog čelika, a sve spoljnje i unutrašnje površine su zaštićene plastificiranjem.
Prednosti konstrukcije: Priključne prirubnice su po tipu ravne prirubnice izrađene od ploča, sa priključnim merama u skladu sa standardom EN 1092-2 za prirubnice od livenog gvožđa, prema preporukama standarda EN 545. Za telo se koriste, zavisno od traženog oblika fazonskog komada, standardni cevni fitinzi (spojnice) za zavarivanje (prema standardu EN 10253) sa spoljnjim prečnikom i debljinom zida koji su odabrani prema standardu EN 1092-1 (čelične prirubnice), za odgovarajući DN i PN. Sva zavarivanja se izvode prema priznatim tehnologijama, uz primenu odgovarajućeg dodatnog materijala. Na kraju procesa, sve površine se zaštićuju plastificiranjem elektrostatičkim postupkom.
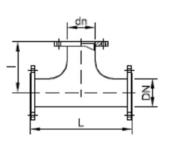
Mere i oblici fazonskih komada FK odgovaraju fitinzima od nodularnog liva prema standardu EN 545. U tabeli 1 jedat pregled oblika i osnovne mere FEROPLAST fazonskih komada FK koji su u redovnoj proizvodnji (osnovna izvedba), kao i simboli koji se mogu sresti u raznim crtežima cevovoda. Prilikom naručivanja treba navesti podatke koji su date u tabeli 1 i pritisak PN (ili PFA, ili PMA).
Montaža:
Spajanje prirubnicama sa standardnim priključnim merama.
Nazivne veličine:
DN 40...DN 200 (videti tabelu 1)
Nazivni pritisak:
PN 10, PN 16, PN 25 i PN 40 (videti tabelu ispitivanja)
Temperature:
Prema radnim uslovima za cevovod.
Radni fluid:
Prema radnim uslovima za cevovod.
Ispitivanje:
Svaki fazonski komad se, pre površinske zaštite, završno ispituje vodom sa hidrostatičkim pritiskom PEA (PMA+5), prema nazivnom pritisku PN u skladu sa standardom EN 545.
Materijali:
U osnovnoj izvedbi kompletan fazonski komadi su izrađeni od ugljeničnog čelika S235 i sve površine su zaštićene elektrostatičkim plastificiranjem prahom sa konačnom debljinom sloja najmanje 250 µm.
Na zahtev:
Fazonski komadi FK mogu biti u potpunosti izrađeni od drugih materijala, sa prirubnicama prema drugim standardima. Osnovne mere mogu biti različite od standardnih, a možemo izraditi i fazonske komade do DN 2000.
Na zahtev
Cena: RSD
