Naslovna > Univerzalni navojni ventil 01 (UNV01)
Univerzalni navojni ventil 01 (UNV01)
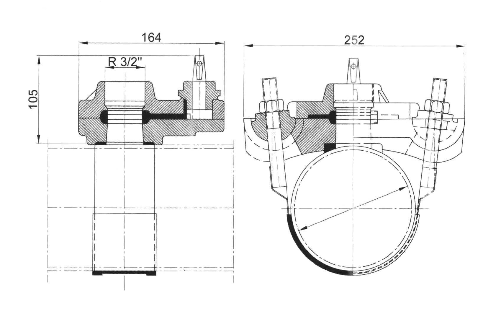
Tehnicki podaci
FEROPLAST UNIVERZALNI NAVOJNI VENTIL 01(UNV01 ) sa okretnim kliznim zatvaračem i namenjen je za izvođenje priključka za potrošača na cevovodu. Predviđen je za montažu na na čelične, livene I azbestno cementne cevi. Izlazni otvor za priključak je izrađen sa paralelnim unutrašnjim navojem Rp. Pritezanje na osnovnu cev se vrši pomoću samopodesivih vijaka I navrtki kojima se zateže trakasti držač cevi.. Telo priključka i zaptivač koji zaptiva spoj sa cevi su jedinstveni za sve veličine priključka, a trakasti držač se bira prema prečniku osnovne cevi.
Prednosti konstrukcije:
Telo univerzalnog navojnog ventila 01 izrađeno je od kvalitetnog nodularnog liva, sa uškama koje imaju polukružne upuste za smeštaj polukružnih oslonaca zateznih vijaka. Oslonci se u upustima mogu lako prilagođavati položaju vijaka koji najbolje odgovara prečniku osnovne cevi. Za zaptivanje spoja na mestu naleganja na cev, u telu je žleb za zaptivni prsten od elastomera koji se prilagođava obliku cevi. Za priključak izlazne cevi, na telu je odliven ispust u koji je urezan unutrašnji paralelni cevni navoj Rp prema standardu ISO 7-1. Prostor za navoj je dovoljan za izradu navoja Rp2. Koriste se navoji od 1’’, 5/4’’. 6/4’’ i 2’’.
Za pritezanje na osnovnu cev, zavisno od prečnika cevi, koristi se trakasti držač koji je izrađen od lima od nerđajučeg čelika, a za bolje naleganje na površinu cevi obložen je oblogom od elastomera. Za traku su zavareni vijci od nerđajućeg čelika sa odgovarajućim navrtkama.
Univerzalni navojni ventil 01 se lako montira na cevovod koji radi i koji je pod pritiskom.
Sve površine tela ventila su zaštićene plastificiranjem. Dodatno održavanje nije potrebno.
Radni uslovi:
- Montaža: na čelične, livene I azbestno cementne cevi
- Nazivne veličine: montaža na cevi DN80…DN600, izlazni priključak prema tabeli
- Nazivni pritisak: PN 10,
- Temperature: prema radnim uslovima za cevovod,
- Radni fluid: pitka ili tehnička voda, protivpožarni sistemi.
Ispitivanje:
Ispitivanje čvrstoće i nepropusnosti tela hidrostatičkim pritiskom od 15 bara (1,5×PN).
Materijali:
U osnovnoj izvedbi, telo univerzalnog navojnog ventila 01 izrađeno je od nodularnog liva (EN GJS-400-15, EN GJS-500-7), sve povšine su zaštićene elektrostatičkim plastificiranjem prahom sa debljinom sloja najmanje 250 µm. Zaptivni prsten za spoj sa cevi izrađen je od elastomera EPDM. Trakasti držač je izrađen od nerđajućeg čeličnog lima i obložen oblogom od elastomera EPDM. Vijci I navrtke su u kvalitetu A2-70. Polukružni oslonci su mašinski izrađeni od kvalitetnog čelika i zaštićeni
Na zahtev:
Univerzalni navojni ventil može biti izrađen od drugih materijala (sivi liv, čelični liv). Izlazni priključak može biti izrađen sa unutrašnjim navojem prema drugim standardima, veličina trakastog držača može biti za prečnike cevi koje nisu navedene u tabeli.

Na zahtev
Cena: RSD
